
耐震調査
家は毎日暮らす大切な場所だから、家族や自分そして地域みんなの身を守る暮らしの安全のための耐震調査をお勧めします。

第三者検査
正しい知識や法律を基に第三者検査を行い建物の品質が保たれます。

各種試験
耐震診断/第三者検査で培った様々な技術・方法を活用して、様々な検査が可能です。
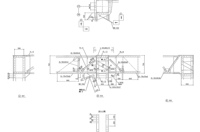
既存鉄骨調査
Existing Steel Frame Suruey
この調査により図面照合から腐食、強度の低下などの問題を早期に発見し、必要な補修や補強対策を講じることができます。安全で長く使用できる建物を維持するために、定期的な調査を推奨いたします。
鉄骨検査.測定.構造物調査
Steel Structure Inspection .Measure.Structural Survey
鉄骨の板厚やサイズ測定、ボルトの径や本数・ピッチなど継手部調査を行い、既存図面と相違が無いかを確認します。発錆などの劣化調査も併せて行います。
既存
コンクリート及び内部調査
Existing reinforced concrete structure survey
この調査により、非破壊によるコンクリート内部の鉄筋位置の把握、鉄筋の被り厚測定鉄筋のピッチ、破壊試験によるコンクリート強度測定、中性化試験、斫りによる鉄筋確認。
非破壊によるコンクリート強度試験、劣化調査、不動沈下測定などの多くの調査実績があり、多種のご要望に活用頂けます。
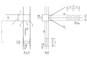
鉄骨検査
Steel frame construction inspection
相模理工は行政の登録資格を持つ第三者機関 (鉄骨溶接部検査)です。
検査では、建築発注に伴う鉄骨検査の合否判定を実施しております、安全で長く使用できる建物を維持するために、日々最新の法令及び機材等の邁進を取り入れております。
建築構造物の検査では各優良施行者様より検査依頼を頂いております、著名な設計会社様からも信用と実績を重ねさせております。
検査では、建築発注に伴う鉄骨検査の合否判定を実施しております、安全で長く使用できる建物を維持するために、日々最新の法令及び機材等の邁進を取り入れております。
鉄筋継手部
検査
Rebar detection
行政の登録資格を持つ第三者機関 (鉄筋継手部検査) です
検査では、建築発注に伴い鉄筋の継手部(圧接、溶接、機械式等)に対し、仕様書にのっとりロット合否判定を行う。品質基準を満たし設計図書施行者様の規定をクリアーしております。
検査では、建築発注に伴い鉄筋の継手部(圧接、溶接、機械式等)に対し、仕様書にのっとりロット合否判定を行う。品質基準を満たし設計図書施行者様の規定をクリアーしております。








































